切换导航
HOME
ABOUT US
Company Profile
Company History
PRODUCTS
Ball Bearing
Angular Contact Ball Bearing
Deep Groove Ball Bearing
Self-aligning Ball Bearing
Double Row Angular Contact Ball Bearing
Thrust Ball Bearing
Thin Section Bearing
Roller Bearing
Spherical Roller Bearing
Cylindrical Roller Bearing
Tapered Roller Bearing
Cylindrical Roller Thrust Bearing
Spherical Roller Thrust Bearing
Crossed Roller Bearing
YRT Rotary Table Bearing
Needle Roller Bearing
Slewing Bearing
Customized Bearing
Cryogenic bearing
High temperature bearings
Insocoat Bearing
Screw Down Thrust Bearing
Tandem Bearing
Track runner bearings
Spherical plain bearing
RV reducer tapered roller bearing
Fluid dynamic bearings
BACK-UP ROLLERS
Stock List
Sales Center
QUALITY
Quality
Certificate
NEWS
APPLICATION
CONTACT US
68 Series
Home
Monton-Bearings
Ball Bearing
Deep Groove Ball Bearing
Miniature Ball Bearing
68 Series
Part Number:
d:
D:
B:
68 Series
Send Inquiry
PDF
Printable Page
Save to Favorites
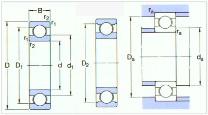
Description And Technical diameters
select
Inquiry
Designation
Principal dimensions(mm)
Basic load ratings(N)
Basic load ratings{kgf}
Speed ratings(rpm)
Abutment and fillet dimensions (mm)
Weight(g)
With shiled
Open type
With seal VV
With seal DD
d
D
B
B1
r(min)
Cr
Cor
Cr
Cor
Grease
Oil
da(min)
db(max)
Da(Max)
Db(min)
ra(max)
rb(max)
Open type
With shiled
ZZ
D·D
Z
681
-
-
-
1
3
1
-
0.05
80
23
8
2.5
130000
-
150000
1.4
-
2.6
-
0.05
-
0.03
-
681X
681XZZ
-
-
1.5
4
12
2
0.05
112
33
11
3.5
100000
-
120000
1.9
2.1
3.6
3.6
0.05
0.05
0.07
0.11
682
682ZZ
-
-
2
5
15
23
0.08
169
50
17
5
85000
-
100000
2.6
2.7
4.4
4.2
0.08
0.08
0.12
0.17
682X
682XZZ
-
-
2.5
6
18
2.6
0.08
208
74
21
7.5
71000
-
80000
3.1
3.7
5.4
5.4
0.08
0.08
0.23
0.29
683A
683AZZ
-
-
3
7
2
3
0.1
390
130
40
13
63000
-
75000
3.8
4
6.2
6.4
0.1
0.1
0.32
0.45
684A
684AZZ
-
-
4
9
2.5
4
-0.15
640
225
65
23
53000
-
63000
4.8
5.2
8.2
8.1
0.1
0.1
0.63
1.01
685
685ZZ
-
-
5
11
3
5
0.15
715
281
73
29
45000
-
53000
6.2
6.2
9.8
9.9
0.15
0.15
1.2
1.96
686A
686AZZ
686AVV
686ADD
6
13
3.5
5
0.15
1080
440
110
45
40000
38000
50000
7.2
7.4
11.8
11.7
0.15
0.15
1.91
2.69
687
687ZZ1
687VV
687DD
7
14
3.5
5
0.15
1170
510
120
52
40000
34000
45000
8.2
8.5
12.8
12.7
0.15
0.15
2.13
2.97
688A
688AZZ1
688AVV
688ADD
8
16
4
5
0.2
1610
710
164
73
36000
28000
43000
9.6
10.2
14.4
14.2
0.2
0.2
3.12
4.02
689
689ZZ1
689VV
689DD
9
17
4
5
0.2
1330
665
136
68
36000
24000
43000
10.6
11.5
15.4
15.2
0.2
0.2
3.53
4.43
Copyright©2022 Luoyang MONTON Bearing Science&Technology Co., Ltd. All Rights Reserved
|
sitemap
在线客服系统
×
Please contact us if you have any enquiries.
Bearing No:
Contacts :
Country :
Phone number :
Company name :
E-mail :
Remark :
Verification: