切换导航
HOME
ABOUT US
Company Profile
Company History
PRODUCTS
Ball Bearing
Angular Contact Ball Bearing
Deep Groove Ball Bearing
Self-aligning Ball Bearing
Double Row Angular Contact Ball Bearing
Thrust Ball Bearing
Thin Section Bearing
Roller Bearing
Spherical Roller Bearing
Cylindrical Roller Bearing
Tapered Roller Bearing
Cylindrical Roller Thrust Bearing
Spherical Roller Thrust Bearing
Crossed Roller Bearing
YRT Rotary Table Bearing
Needle Roller Bearing
Slewing Bearing
Customized Bearing
Cryogenic bearing
High temperature bearings
Insocoat Bearing
Screw Down Thrust Bearing
Tandem Bearing
Track runner bearings
Spherical plain bearing
RV reducer tapered roller bearing
Fluid dynamic bearings
BACK-UP ROLLERS
Stock List
Sales Center
QUALITY
Quality
Certificate
NEWS
APPLICATION
CONTACT US
MR Series
Home
Monton-Bearings
Ball Bearing
Deep Groove Ball Bearing
Miniature Ball Bearing
MR Series
Part Number:
d:
D:
B:
MR Series
Send Inquiry
PDF
Printable Page
Save to Favorites
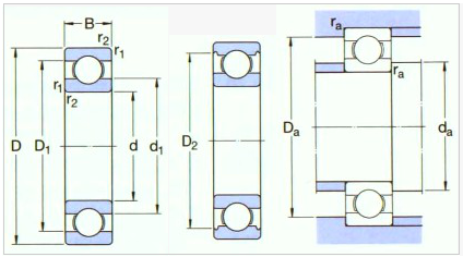
Description And Technical diameters
select
Inquiry
Designation
Principal dimensions(mm)
Basic load ratings(N)
Basic load ratings{kgf}
Speed ratings(rpm)
Abutment and fillet dimensions (mm)
Weight(g)
With shiled
Open type
With seal VV
With seal DD
d
D
B
B1
r(min)
Cr
Cor
Cr
Cor
Grease
Oil
da(min)
db(max)
Da(Max)
Db(min)
ra(max)
rb(max)
Open type
With shiled
ZZ
D·D
Z
MR31
-
-
-
1
3
15
-
0.05
80
23
8
2.5
130000
-
150000
1.4
-
2.6
-
0.05
-
0.04
-
MR41X
MR41XZZ
-
-
1.2
4
1.8
2.5
0.1
138
35
14
3.5
110000
-
130000
2
1.9
3.2
3.5
0.1
0.1
0.1
0.14
MR52B
MR52BZZ
-
-
2
5
2
25
0.1
187
58
19
6
85000
-
100000
2.8
2.7
4.2
4.4
0.1
0.1
0.16
0.23
MR62
MR62ZZ
-
-
2
6
25
2.5
0.15
330
98
34
10
75000
-
90000
3.2
3
4.8
5.2
0.15
0.15
0.3
0.29
MR72
MR72ZZ
-
-
2
7
25
3
0.15
385
127
39
13
63000
-
75000
3.2
3.8
5.8
6.2
0.15
0.15
0.45
0.49
MR82X
-
-
-
2.5
8
25
-
2
560
179
57
18
60000
-
67000
4.1
-
6.4
-
0.2
-
0.56
-
MR63
MR63ZZ
-
-
3
6
2
2.5
0.1
208
74
21
7.5
71000
-
80000
3.8
3.7
5.2
5.4
0.1
0.1
0.2
0.27
MR83
-
-
-
3
8
2.5
-
0.15
560
179
57
18
60000
-
67000
4.2
-
6.8
-
0.15
-
0.54
-
MR93
MR93ZZ
-
-
3
9
25
4
0.2
570
187
58
19
56000
-
67000
4.6
4.3
7.4
7.9
0.2
0.15
0.73
1.18
MR74
-
-
-
4
7
2
-
0.1
310
115
32
12
60000
-
67000
4.8
-
6.2
-
0.1
-
0.22
-
-
MR74ZZ
-
-
4
7
-
25
-
255
107
26
11
60000
-
71000
-
4.8
-
6.3
-
0.1
-
0.29
MR84
MR84ZZ
-
-
4
8
2
3
0.15
395
139
40
14
56000
-
67000
5.2
5
6.8
7.4
0.15
0.1
0.36
0.56
MR104B
MR104BZZ
-
-
4
10
3
4
0.2
710
270
73
28
50000
-
60000
5.6
5.9
8.4
8.8
0.2
0.15
1.04
1.42
MR85
-
-
-
5
8
2
-
0.1
310
120
31
12
53000
-
63000
5.8
-
7.2
-
0.1
-
0.26
-
-
MR85ZZ
-
-
5
8
-
2.5
-
278
131
28
13
53000
-
63000
-
5.8
-
7.4
-
0.1
-
0.34
MR95
MR95ZZ1
-
-
5
9
2.5
3
0.15
430
168
44
17
50000
-
60000
6.2
6
7.8
8.2
0.15
0.15
0.5
0.58
MR105
MR105ZZ
-
-
5
10
3
4
0.15
430
168
44
17
50000
-
60000
6.2
6
8.8
8.4
0.15
0.15
0.95
1.29
-
MR115ZZ
MR115VV
-
5
11
-
4
-
715
276
73
28
48000
-
56000
-
6.3
-
9.8
-
0.15
-
1.49
MR106
MR106ZZ1
-
-
6
10
2.5
3
0.15
495
218
51
22
45000
-
53000
7.2
7
8.8
9.3
0.15
0.1
0.56
0.68
MR126
MR126ZZ
-
MR126DD
6
12
3
4
0.2
715
292
73
30
43000
40000
50000
7.6
7.2
10.4
10.9
0.2
0.15
1.27
1.74
MR117
MR117ZZ
-
-
7
11
2.5
3
0.15
455
201
47
21
43000
-
50000
8.2
8
9.8
10.5
0.15
0.1
0.62
0.72
MR137
MR137ZZ
-
-
7
13
3
4
0.2
540
276
55
28
40000
-
48000
8.6
9
11.4
11.6
0.2
0.15
1.58
2.02
MR128
MR128ZZ1
-
-
8
12
2.5
3.5
0.15
545
274
56
28
40000
-
48000
9.2
9
10.8
11.3
0.15
0.1
0.71
0.97
MR148
MR148ZZ
MR148VV
MR148DD
8
14
3.5
4
0.2
820
385
83
39
38000
32000
45000
9.6
9.2
12.4
12.8
0.2
0.15
1.86
2.16
Copyright©2022 Luoyang MONTON Bearing Science&Technology Co., Ltd. All Rights Reserved
|
sitemap
在线客服系统
×
Please contact us if you have any enquiries.
Bearing No:
Contacts :
Country :
Phone number :
Company name :
E-mail :
Remark :
Verification: